




Détecteur de monoxyde de carbone à accumulation de CO Seitron Segugio RGDCOKMP1
€157,38 iva inclusa
Spedito in 24-48h
Spedizione gratis con minimo ordine di €500
- Descrizione
- Scheda tecnica
- Recensioni
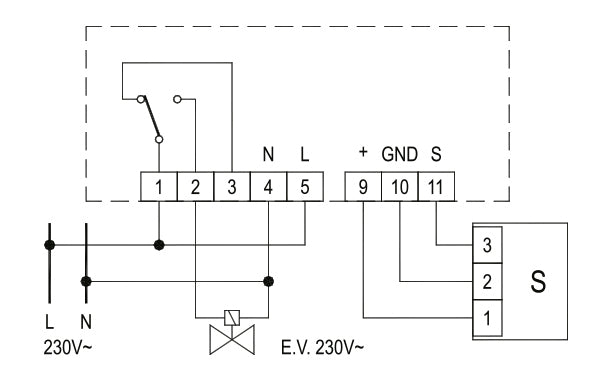
Détecteur de monoxyde de carbone à usage civil avec microprocesseur et possibilité de contrôler directement des électrovannes, des ventilateurs ou d'autres actionneurs 230V~. Détection d'accumulation de monoxyde de carbone : simule le comportement d'accumulation du gaz dans le corps humain.
CARACTÉRISTIQUES TECHNIQUES
Alimentation 230V~ -15/+10% 50Hz
Sortie (relais étanche) 6(2)A @ 250V~ SPDT
Capteur interne Cellule électrochimique
Bouton d'alarme de test-réinitialisation
Alarme sonore 85 dB (A) à 1 m.
Signal LED vert Détecteur actif
Signal LED jaune Défaut du détecteur
Signal d'alarme à LED rouge
Dimensions H84 L148 P40mm
Degré de protection IP42



