




Unité de contrôle de capteur de fuite de gaz Seitron pour rail DIN RGI000MBX2
€120,78 iva inclusa
Spedito in 24-48h
Spedizione gratis con minimo ordine di €500
- Descrizione
- Scheda tecnica
- Recensioni
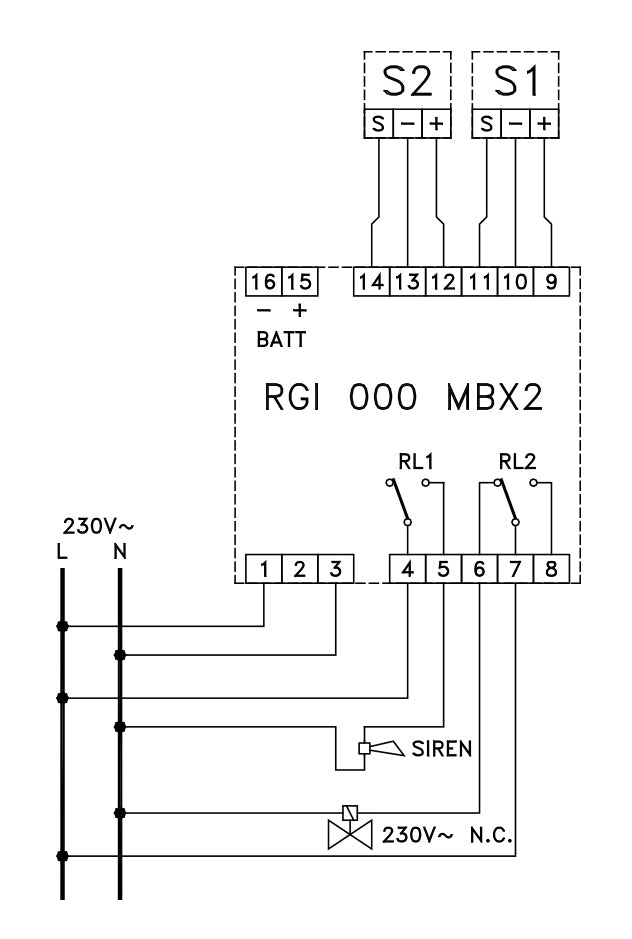
Unité de contrôle sur rail DIN pour capteurs de fuite de gaz dans un conteneur à 3 modules pour rail DIN, avec deux sorties relais, entrées pour 2 capteurs à distance et pour batterie tampon (ACCSGB12). Boutons de test et de réinitialisation. Pour les zones ATEX non classées.
CARACTÉRISTIQUES TECHNIQUES
Alimentation 230V~ -15/+10% 50Hz
Sortie 1 (relais x ev) 4(2)A à 250V~ SPDT
Sortie 2 (relais d'alarme) 4(2)A @ 250V~ SPST
Signaux : actif/alarme 1/alarme 2 LED verte/rouge/rouge
Délai sur le relais EV ~15 sec.
Boutons de test/réinitialisation
Conteneur 3 modules pour rail DIN
Dimensions A96 L53 P73mm
Degré de protection IP30



