




Unité de contrôle Seitron pour capteurs de fuite de gaz 2 IN 2 OUT + RESET RGI001MSX2
€117,12 iva inclusa
Spedito in 24-48h
-
Spedizione gratis con minimo ordine di €500
- Descrizione
- Scheda tecnica
- Recensioni
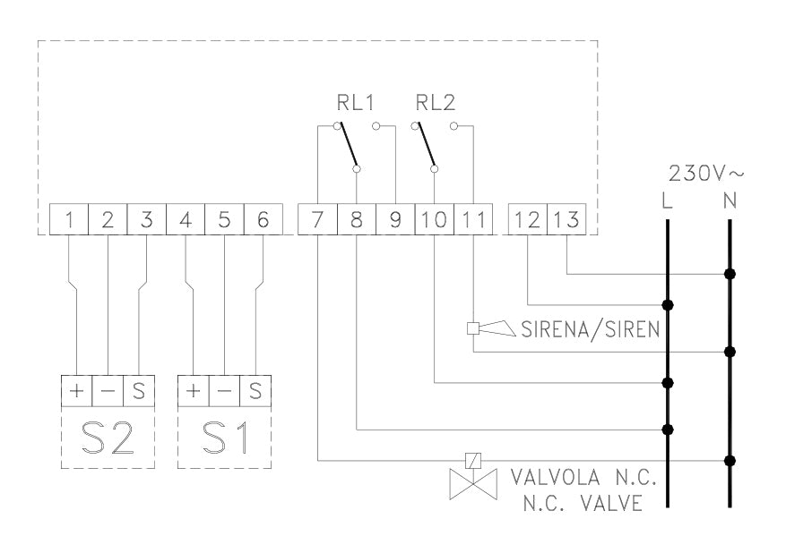
Unité de contrôle 2 entrées 2 sorties + Reset pour capteurs de fuite de gaz avec deux sorties relais, entrées pour 2 capteurs déportés. Bouton de réinitialisation. Conteneur IP54. Pour les zones ATEX non classées.
CARACTÉRISTIQUES TECHNIQUES
Alimentation 230V~ -15/+10% 50Hz
Sortie 1 (relais x ev) 4(2)A à 250V~ SPDT
Sortie 2 (relais d'alarme) 4(2)A @ 250V~ SPST
Signaux : actif/alarme 1/alarme 2 LED verte/rouge/rouge
Délai sur le relais EV ~15 sec.
Bouton de réinitialisation
Degré de protection IP 54
Dimensions A79 L134 P62mm

Unité de contrôle Seitron pour capteurs de fuite de gaz 2 IN 2 OUT + RESET RGI001MSX2
Prix de vente€96,00
Prix normal€96,00 (/)
€117,12
Iva inclusa


